基于PWM技術的電壓控制策略
在現代電子控制系統中,PWM(脈寬調制)技術是一種廣泛應用且極具價值的控制手段。本文將深入探討如何利用單片機的PWM信號實現對MOS管的精準控制,進而調節電壓輸出,以及該技術在實際應用中的關鍵要點與實施細節。
一、PWM控制MOS管的基本原理與現象
當運用單片機的PWM信號操控MOS管時,MOS管后端連接負載,

其輸出電壓會隨著PWM占空比的變化而改變。例如,在一個典型場景下,一個MOS管連接純阻性負載,電源電壓為100V。當PWM占空比從50%變化至100%時,盡管負載上的峰值電壓仍保持100V,但平均電壓會相應地從50V升至100V。這種特性使得PWM技術成為調節電壓輸出的有力工具,通過精準控制占空比,可以實現對負載電壓的動態調節。

其輸出電壓會隨著PWM占空比的變化而改變。例如,在一個典型場景下,一個MOS管連接純阻性負載,電源電壓為100V。當PWM占空比從50%變化至100%時,盡管負載上的峰值電壓仍保持100V,但平均電壓會相應地從50V升至100V。這種特性使得PWM技術成為調節電壓輸出的有力工具,通過精準控制占空比,可以實現對負載電壓的動態調節。
二、單片機PWM控制MOS管的設計與實現
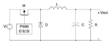
(一)硬件選型與電路連接
單片機選擇:選用具備PWM輸出功能的單片機是基礎。目前市場上眾多單片機型號均支持PWM功能,需根據具體應用場景的需求,如系統的復雜程度、對PWM頻率和分辨率的要求等進行綜合考量與選型。
MOS管選型:依據實際應用需求,如電路的工作電壓、負載電流大小以及開關速度等要求,選擇合適的N溝道或P溝道MOS管。不同的應用場景對MOS管的參數要求差異較大,例如在高電壓、大電流的應用場景中,需要選擇耐壓高、通流能力強且開關損耗低的MOS管。
電源與電阻配置:為單片機和MOS管提供穩定且合適的電源電壓是確保電路正常工作的關鍵。同時,合理設置電阻值,用于限制電路中的電流,保護單片機和MOS管等元件,防止因過流而損壞。例如,在單片機PWM引腳與MOS管柵極之間通常會接入一個限流電阻,其阻值需要根據單片機的輸出電流能力和MOS管的柵極驅動需求來確定。


(二)電路連接步驟
單片機PWM引腳連接:將單片機的PWM輸出引腳準確連接到MOS管的柵極(G)。這一連接是實現PWM信號控制MOS管的關鍵路徑,必須確保連接的可靠性與正確性,避免虛接、短路等現象。
MOS管源極和漏極連接:根據具體的電路設計和應用需求,將MOS管的源極(S)和漏極(D)正確連接到相應的電路元件上。例如,在驅動一個直流電機的應用中,MOS管的漏極可能連接到電機的一端,而源極連接到電源的地或者另一端,通過控制MOS管的開關狀態來調節電機的電壓和轉速。
電源連接:為MOS管提供專門的電源連接,并正確連接到其源極或漏極,確保MOS管在導通時能夠獲得足夠的電壓來驅動負載。
(三)軟件編程實現
初始化PWM功能:在單片機的軟件代碼中,首先需要對PWM功能進行初始化配置。這包括設置PWM的頻率和分辨率等關鍵參數。PWM頻率的選擇需要綜合考慮負載的特性以及系統的控制精度要求。例如,在控制燈光亮度的場景中,頻率通常選擇在100Hz以上,以避免肉眼察覺到明顯的閃爍。而分辨率則影響占空比的調節精度,分辨率越高,占空比的調節越精細,從而能夠實現更精準的電壓控制。
控制PWM占空比:通過編程改變PWM信號的占空比,即調整高電平時間占整個周期時間的比例,從而精準控制MOS管的導通程度。占空比的調節是實現電壓或電流控制的核心手段,例如在電源管理應用中,通過實時監測負載情況并相應調整占空比,可以維持輸出電壓的穩定,或者根據不同的工作模式動態調整輸出功率。
三、PWM控制MOS管調節燈泡亮度的應用實例
MOS管在開關電路中有著廣泛的應用,其相當于一個高速自動開關,通過向柵極施加電壓信號即可實現快速的導通與截止切換。將MOS管與燈泡串聯,利用單片機的PWM信號控制MOS管的開關狀態,進而調節燈泡的亮度。
(一)工作原理
當單片機輸出高電平時,MOS管的源極和漏極導通,電流流經燈泡,燈泡發光;而當單片機輸出低電平時,MOS管截止,燈泡電路斷開,燈泡不亮。隨著PWM信號開關頻率的增加,燈泡閃爍的速度會加快。當頻率超過一定閾值(通常在100Hz左右),人眼便難以察覺到燈泡的閃爍,感覺燈泡處于穩定發光狀態。
(二)亮度調節機制
然而,需要注意的是,當開關頻率繼續不斷增加,例如達到1000Hz時,燈泡的亮度可能會出現一定程度的下降。這是因為隨著頻率的升高,在相同的占空比下,燈泡實際獲得的平均功率可能會受到驅動信號上升沿和下降沿等因素的影響而略有變化。但更重要的是,通過調整PWM信號的占空比來實現對燈泡亮度的有效控制。
當占空比不同時,高電平持續時間的長短決定了燈泡在一個周期內累計獲得的能量,從而影響其亮度。例如,假設高電平為10V,低電平為0V:
當高電平與低電平持續時間各占50%時,平均電壓為5V,對應的燈泡亮度為某一中等水平。
若將高電平的持續時間增加至60%,低電平相應減少至40%,平均電壓則上升至6V,燈泡亮度相應提高。
同理,若高電平持續時間延長至90%,平均電壓達到9V,燈泡亮度進一步提升。
這種通過調節占空比改變平均電壓進而控制燈泡亮度的方法,正是PWM脈寬調制技術的核心原理。該原理不僅適用于燈泡亮度調節,在眾多需要進行功率或電壓調節的電子設備中都有著廣泛的應用,如電機調速、電源管理等領域。

〈烜芯微/XXW〉專業制造二極管,三極管,MOS管,橋堆等,20年,工廠直銷省20%,上萬家電路電器生產企業選用,專業的工程師幫您穩定好每一批產品,如果您有遇到什么需要幫助解決的,可以直接聯系下方的聯系號碼或加QQ/微信,由我們的銷售經理給您精準的報價以及產品介紹

〈烜芯微/XXW〉專業制造二極管,三極管,MOS管,橋堆等,20年,工廠直銷省20%,上萬家電路電器生產企業選用,專業的工程師幫您穩定好每一批產品,如果您有遇到什么需要幫助解決的,可以直接聯系下方的聯系號碼或加QQ/微信,由我們的銷售經理給您精準的報價以及產品介紹
聯系號碼:18923864027(同微信)
QQ:709211280

