
傳真:
18923864027
QQ:
709211280
地址:
深圳市福田區振中路84號愛華科研樓7層
SMBJ6 0A瞬態抑制二極管,6VTVS管,6V單向雙向TVS二極SMBJ6 0A瞬態抑制二極管,600W絲印KG二極管,6V TVS管規格書參數,SMBJ6 0A單向TVS管,6V瞬
SMBJ5 0A瞬態抑制二極管,5VTVS管,5V單向雙向TVS二極SMBJ51A瞬態抑制二極管,600W絲印KE二極管,5V TVS管規格書參數,SMBJ51A單向TVS管,5V瞬態
SMAJ440A瞬態抑制二極管,440VTVS管,440V單向雙向TVS二極管SMAJ440A瞬態抑制二極管,400W絲印TM二極管,440V TVS管規格書參數,SMAJ440A單向TV
SMAJ400A瞬態抑制二極管,400VTVS管,400V單向雙向TVS二極管SMAJ400A瞬態抑制二極管,400W絲印TK二極管,400V TVS管規格書參數,SMAJ400A單向TV
SMAJ350A瞬態抑制二極管,350VTVS管,350V單向雙向TVS二極管SMAJ350A瞬態抑制二極管,400W絲印TG二極管,350V TVS管規格書參數,SMAJ350A單向TV
SMAJ300A瞬態抑制二極管,300VTVS管,300V單向雙向TVS二極管SMAJ300A瞬態抑制二極管,400W絲印TE二極管,300V TVS管規格書參數,SMAJ300A單向TV
SMAJ250A瞬態抑制二極管,250VTVS管,250V單向雙向TVS二極管SMAJ250A瞬態抑制二極管,400W絲印SZ二極管,250V TVS管規格書參數,SMAJ250A單向TV
SMAJ220A瞬態抑制二極管,220VTVS管,220V單向雙向TVS二極管SMAJ220A瞬態抑制二極管,400W絲印SX二極管,220V TVS管規格書參數,SMAJ220A單向TV
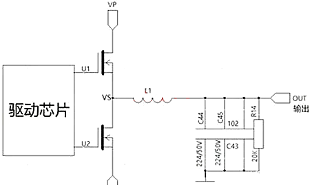
MOS管半橋電路-關鍵參數計算方法介紹半橋電路-參數計算MOS管選型需要滿足幾個要求:1 足夠的漏-源電壓 VDS2 足夠的漏極電流 ID3 快速開關
SMAJ200A瞬態抑制二極管,200VTVS管,200V單向雙向TVS二極管SMAJ200A瞬態抑制二極管,400W絲印SV二極管,200V TVS管規格書參數,SMAJ200A單向TV
SMAJ180A瞬態抑制二極管,180VTVS管,180V單向雙向TVS二極管SMAJ180A瞬態抑制二極管,400W絲印ST二極管,180V TVS管規格書參數,SMAJ180A單向TV
SMAJ170A瞬態抑制二極管,170VTVS管,170V單向雙向TVS二極管SMAJ170A瞬態抑制二極管,400W絲印SR二極管,170V TVS管規格書參數,SMAJ170A單向TV