MOS管有三個極:柵極G、源極S、漏極D(如圖)。


MOS管的工作原理與上期講的BJT類似,不過還是有區別的。
BJT晶體管的電流一般是從基極流向發射極,它決定了從集電極到發射極能夠流多少電流。
然而對于MOS管,有多少電流從漏極流向另一個源極,取決于電壓柵極和源極之間的電流。


打開MOS管
當柵極和源極之間的電壓高于晶體管的閾值電壓時,MOS管打開,例如有一個柵源閾值電壓是2.1V。
事實上MOSFET的閾值電壓即它關閉的電壓。因此若要正確打開MOS管,則需要稍微高一點的電壓。
電壓多高,取決于你想要通過多大的電流。如果只是比閾值高出幾伏,通常對低電流的東西來說就足夠了。例如打開一個LED。
不過,即使你使用足夠高的電壓,能夠使1A的電流通過,但這也并不意味著你能夠得到1A,只是意味著你想讓1A能夠通過,實際的電路連接特性才決定了實際的電流。
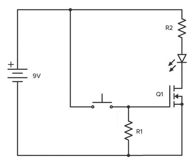
如上圖,R1的值并不重要,但大約在10kΩ就能正常工作。但是它的目的在于關閉MOS管。R2則用來設置LED亮度,對于大多數的LED,1kΩ就能很好工作。
2.關閉MOS管
當在柵極和源極之間施加電壓時,電壓會一直保持到放電為止,它的功能有點類似電容器。
當有了電阻R1,柵極源極的電容就有了放電的閉環回路,晶體管就會再次關閉。如果沒有了R1,晶體管就不會關閉。
關于柵極電流
若你想控制MOSFET,比如用單片機,需注意一點:開啟晶體管時,柵極流入的電流。
像之前說的,MOSFET的柵源像一個電容器,充電后就不會有更多電流流過。所以,MOSFET開啟后,柵極是沒有電流的。
但MOSFET剛開啟時,會有一個電流,就像你給電容器充電時一樣。在非常短的時間內,可能會有一大堆電流流動。
在選擇MOSFET時要注意兩點:
這個柵-源閾值電壓。你需要更高的電壓才能打開晶體管。
這個連續漏電流,這是流經晶體管的最大電流。
〈烜芯微/XXW〉專業制造二極管,三極管,MOS管,橋堆等,20年,工廠直銷省20%,上萬家電路電器生產企業選用,專業的工程師幫您穩定好每一批產品,如果您有遇到什么需要幫助解決的,可以直接聯系下方的聯系號碼或加QQ/微信,由我們的銷售經理給您精準的報價以及產品介紹
聯系號碼:18923864027(同微信)
QQ:709211280

