穩(wěn)壓管工作原理分析
穩(wěn)壓二極管(齊納二極管)是一種硅材料制成的面接觸型晶體二極管,簡稱穩(wěn)壓管;是一種直到臨界反向擊穿電壓前都具有很高電阻的半導體器件。
穩(wěn)壓管在反向擊穿時,在一定的電流范圍內(或者說在一定功率損耗范圍內),端電壓幾乎不變,表現出穩(wěn)壓特性,因而廣泛應用于穩(wěn)壓電源與限幅電路之中。
穩(wěn)壓管工作原理
穩(wěn)壓管電路由限流電阻R1和穩(wěn)壓管D1組成。Ui是輸入電壓;Uo是輸出電壓,即穩(wěn)壓管兩端的電壓Vz(電路是并聯(lián))。本例電路既可以作為基準電壓源,也可以單獨作為輸出電壓固定、負載電流較小的穩(wěn)壓電路中使用,實用性較強。


穩(wěn)壓管工作原理分析:
當負載電阻不變,輸入電壓Ui增大(或者輸入電壓不變,負載電阻RL增加)時,輸出電壓Uo將上升,使穩(wěn)壓管D1的反向電壓會略有增加,隨之流過穩(wěn)壓管D1的電流增加,于是流過電阻R1的電流將增加,限流電阻R1上的壓降將變大,使得Ui增量的大部分壓降在R1上被消耗,從而使輸出電壓Uo基本維持不變。
反之,當負載電阻不變,輸入電壓Ui下降(或者輸入電壓不變,負載電阻RL減小)時,輸出電壓Uo將下降,使穩(wěn)壓管D1的反向電壓也隨之下降,流過穩(wěn)壓管D1的反向電流也略微下降,于是,流過電阻R1的電流將減少,限流電阻R1上的壓降將變小,這樣Uo的電壓又會上升,這樣穩(wěn)定后,電壓Uo還是基本維持不變。
穩(wěn)壓二極管伏安特性


當電壓達到穩(wěn)壓值Uz時,曲線很陡,說明流過穩(wěn)壓二極管的電流在大小變化時,穩(wěn)壓二極管兩端的電壓大小基本不變,也就是說在一定電壓范圍內,隨著流過穩(wěn)壓二極管的電流變化,穩(wěn)壓二極管兩端電壓大小基本保持不變,這就是穩(wěn)壓二極管的工作原理,它利用的是它的反向工作特性。
穩(wěn)壓管在電路中的作用:
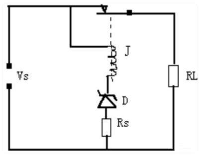
1、浪涌保護電路:穩(wěn)壓管在準確的電壓下?lián)舸@就使得它可作為限制或保護之元件來使用,因為各種電壓的穩(wěn)壓二極管都可以得到,故對于這種應用特別適宜。穩(wěn)壓二極管D是作為過壓保護器件。只要電源電壓VS超過二極管的穩(wěn)壓值D就導通,使繼電器J吸合負載RL就與電源分開。
2、電視機里的過壓保護電路:EC是電視機主供電壓。當EC電壓過高時,D導通,三極管BG導通,其集電極電位將由原來的高電平(5V)變?yōu)榈碗娖剑ㄟ^待機控制線的控制使電視機進入待機保護狀態(tài)。
3、電弧抑制電路:在電感線圈上并聯(lián)接入一只合適的穩(wěn)壓二極管(也可接入一只普通二極管原理一樣)的話,當線圈在導通狀態(tài)切斷時,由于其電磁能釋放所產生的高壓就被二極管所吸收,所以當開關斷開時,開關的電弧也就被消除了。這個應用電路在工業(yè)上用得比較多,如一些較大功率的電磁吸控制電路就用到它。
穩(wěn)壓管的應用電路
典型的串聯(lián)型穩(wěn)壓電路


浪涌保護電路

〈烜芯微/XXW〉專業(yè)制造二極管,三極管,MOS管,橋堆等,20年,工廠直銷省20%,上萬家電路電器生產企業(yè)選用,專業(yè)的工程師幫您穩(wěn)定好每一批產品,如果您有遇到什么需要幫助解決的,可以直接聯(lián)系下方的聯(lián)系號碼或加QQ/微信,由我們的銷售經理給您精準的報價以及產品介紹

〈烜芯微/XXW〉專業(yè)制造二極管,三極管,MOS管,橋堆等,20年,工廠直銷省20%,上萬家電路電器生產企業(yè)選用,專業(yè)的工程師幫您穩(wěn)定好每一批產品,如果您有遇到什么需要幫助解決的,可以直接聯(lián)系下方的聯(lián)系號碼或加QQ/微信,由我們的銷售經理給您精準的報價以及產品介紹
聯(lián)系號碼:18923864027(同微信)
QQ:709211280

