雙向DC-DC變換器可分為兩類,一類是非隔離型拓撲,另一類是含有中間變壓器的隔離型拓撲,兩類拓撲各有優劣。如果再細分開來,非隔離型拓撲有Buck-Boost、Zeta、Cuk、Sepic等,隔離型有正激、反激、半橋、全橋、推挽以及雙有源橋(DAB)等拓撲。
非隔離雙向Buck-Boost變換器是雙向DC-DC變換器的最基礎拓撲,也是工業界最常用的拓撲,它由2個開關管、1個電感、2個電容組成。其電路結構如圖1非隔離雙向Buck-Boost變換器結構所示。

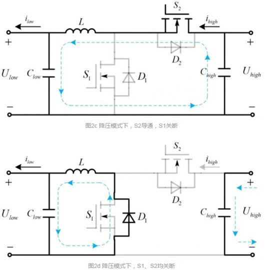
圖2為該變換器分別運行在升壓和降壓模式下的電流流向圖。
在Boost模式下:

在Buck模式下:

在Boost模式下,電壓的增益為:Uhigh=Ulow/(1-D)。在Buck模式下,電壓的增益為:Ulow=D*Uhigh。(升壓時,D為S1的占空比;降壓時,D為S2的占空比)。
〈烜芯微/XXW〉專業制造二極管,三極管,MOS管,橋堆等,20年,工廠直銷省20%,上萬家電路電器生產企業選用,專業的工程師幫您穩定好每一批產品,如果您有遇到什么需要幫助解決的,可以直接聯系下方的聯系號碼或加QQ/微信,由我們的銷售經理給您精準的報價以及產品介紹
聯系號碼:18923864027(同微信)
QQ:709211280

