79L08,79L08三端穩壓器參數,79L08引腳圖,79L08規格書資料
79L08三端穩壓器參數,79L08三端穩壓器封裝SOT-89,79L08好壞判斷,79L08引腳圖和參數
79L08三端穩壓器參數,79L08三端穩壓器封裝SOT-89,79L08好壞判斷,79L08引腳圖和參數

79L08三端穩壓器參數規格書:點擊查看

79L08三端穩壓器,SOT-89封裝參數如下:
Maximum output current IOM 最大輸出電流:0.1A
Input Voltage 輸入電壓VI:-30V
Output voltage 輸出電壓VO:-8V
Continuous total dissipation 連續總耗散 PD:0.5W
Quiescent current 靜態電流Iq(Ta=25℃):Typ=4mA Max=6mA
Output noise voItage 流輸出噪聲電壓VN(10Hz≤f≤100KHz):54uV
Ripple rejection 紋波抑制RR(-11V≤VI≤-21V,f=120Hz):Min=37dB Typ=46dB
Dropout voltage 壓差Vd:1.7V
Operating junction temperature range 工作結溫范圍TOPR:-55~+125℃
Storage Temperature Range 儲存溫度范圍TSTG:-55~+150℃
79L08三端穩壓器,SOT-23封裝尺寸:


79L08三端穩壓器,SOT-89封裝尺寸:


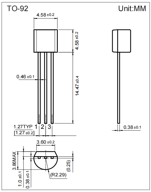
79L08三端穩壓器,TO-92封裝尺寸:


〈烜芯微/XXW〉專業制造二極管,三極管,MOS管,橋堆等,20年,工廠直銷省20%,上萬家電路電器生產企業選用,專業的工程師幫您穩定好每一批產品,如果您有遇到什么需要幫助解決的,可以直接聯系下方的聯系號碼或加QQ/微信,由我們的銷售經理給您精準的報價以及產品介紹
聯系號碼:18923864027(同微信)
QQ:709211280


