MOSFET的開啟過程
在講解MOSFET的開啟過程之前,先說以下電容C的充放電過程,下面以1uF陶瓷電容為例,我們仿真一下電容在充電和放電兩個過程中,電容兩端的電壓和電流的波形圖是什么樣的。
電容的充放電過程

我們把電容的工作過程分為
(1)充電過程
(2)放電過程
(1)充電過程:S1閉合,S2斷開,5V電源給C1電容充電,R1作為限流電阻。綠色為電容的電壓,黃色為流入電容的電流。

(2)放電過程:S1斷開,S2閉合,電容通過電阻R2進行放電。 電壓和電流的波形見下圖仿真結果。

MOSFET的開啟過程
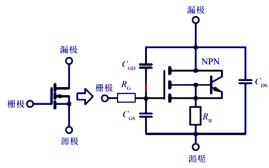
(1)首先,先了解一下MOSFET的實際模型,以NMOS為例,左圖為我們平時看到的MOSFET的電路模型,右圖為等效電路模型。

其中:Cgs稱為GS寄生電容,Cgd稱為GD寄生電容,輸入電容Ciss=Cgs+Cgd,輸出電容Coss=Cgd+Cds,反向傳輸電容Crss=Cgd,也叫米勒電容。 三個電容均是由于工藝原因,在三極產生的寄生電容,并不是人為設計的。
(2)上面了解了MOSFET的等效電路模型,那么下面開始介紹MOSFET的開啟過程。

(3)最后,補充一個知識點,相信大家對于米勒平臺這個名詞不是很陌生,但是就是搞不清楚是怎么回事。 我們需要知道的一個點是:因為MOS管制造工藝,必定產生Cgd,也就是米勒電容必定存在,所以米勒效應不可避免。
那米勒效應的缺點是什么呢?
MOS管的開啟是一個從無到有的過程,MOS管開通速度越慢,MOS管的導通損耗越大,這是因為在MOS開啟的過程中,t1-t3這段時間內,電壓和電流的乘積很大,所以加載在MOS上的功率就很大,發熱會很嚴重。
因為有了米勒電容,有了米勒平臺,MOS管的開啟時間變長,MOS管的導通損耗必定會增大。那么通過上面的講解,我們知道整個開啟的過程就是充電的過程,那如何能縮短開啟時間呢?那就是增加充電電流,也就是調節MOSFET充電電路的電流。

那在米勒平臺究竟發生了一些什么?
以NMOS為例,在MOSFET開啟之前,D極電壓是大于G極電壓的,隨著輸入電壓的增大,Vgs在增大,Cgd存儲的電荷同時需要和輸入電壓進行中和,因為MOS管完全導通時,G極電壓是大于D極電壓的。所以在米勒平臺,是Cgd充電的過程,這時候Vgs變化則很小,當Cgd和Cgs處在同等水平時,Vgs才開始繼續上升。
〈烜芯微/XXW〉專業制造二極管,三極管,MOS管,橋堆等,20年,工廠直銷省20%,上萬家電路電器生產企業選用,專業的工程師幫您穩定好每一批產品,如果您有遇到什么需要幫助解決的,可以直接聯系下方的聯系號碼或加QQ/微信,由我們的銷售經理給您精準的報價以及產品介紹
聯系號碼:18923864027(同微信)
QQ:709211280

