在微機測控系統中,模數轉換ADC和數模轉換DAC接口電路是數字電路單元與模擬數字電路單元之間信號轉換的橋梁,其重要性不言而喻。本文將從閉環溫度測控裝置的實踐角度來闡述模數轉換接口電路的設計和調試方法,實踐表明該系統升溫迅速,控溫準確。
1.模數轉換的應用
1.1模數轉換的接口
模擬數字轉換接口技術在控制領域非常重要。微機測控系統中,外部的溫度、壓力等物理信號經傳感器和變送器轉換為電信號后送入模數轉換器,模數轉換器的基本功能就是要將輸入的模擬信號成正比轉換為數字信號。AD接口的設計主要考慮采樣速度、AD轉換孔徑誤差、AD轉換芯片選擇等方面。ADC芯片的選擇則要綜合考慮輸入通道誤差、被測信號的變化速率、工作環境、接口特性、成本與市場供應情況等來確定。
目前,在工程和教學中都以8路8位逐位比較式模數轉換芯片ADC0809作為首選,它與各種單片機接口的應用非常普遍。在單片機應用系統中,單片機與ADC0809的連接方式主要有三種。如圖1所示。

圖1 單片機與ADC0809的三種連接方式
在這三種連接方式中,方式(C)僅適用于單片機沒有擴展其它外部芯片的情況,方式(a)和方式(b)則可以擴展,其中方式(a)所需元件數目多,方式(b)則電路較為簡單,可靠性高一些。
單片機通過MOVX指令啟動AD轉換和讀取結果,其實質是利用單片機執行該指令產生的一系列時序信號來控制AD芯片的工作。MOVX指令很重要,尤其在擴展連接外部設備時,必須考慮這條指令的讀寫時序是否與外設要求相匹配。這也是工程人員設計單片機外圍接口電路經??紤]的問題。
1.2模數轉換的軟件設計
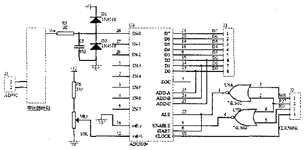
我們研制的閉環溫度測控裝置中,變送器將溫度傳感器AD592的輸出電流轉換放大為0~5V的直流電壓(該電壓經校準后與被測溫度0~100成線性),經ADC0809轉換后送入單片機計算測量溫度值,見圖2。
ADC0809的輸入和輸出關系:假設參考電壓Vref=5V,若輸入模擬電壓的實際值為X,輸出數字量為DA-TA,則兩者關系近似為:

這個正比關系,就是AD轉換器實現的本質功能。編程時經常用到。由于變送器的輸出電壓X與水溫T成正比,而AD轉換器的輸出數字量DATA與電壓X成正比,所以數字量DATA也與水溫T成正比,故:

當單片機采集到溫度的數字量DATA后。就可以根據上式計算出相應的水溫T。本項目的部分測溫程序(略)。
2.AD轉換模塊的調試與檢修
2.1AD轉換電路模塊的檢測
下面以閉環溫度測控裝置中的AD轉換模塊為例進行介紹,其電路如圖2所示。在變送器電路校準以后,就可以進行AD模塊電路的功能測試。ADC模塊檢測方法與測試程序見圖3,連接單片機硬件仿真器.通電并運行測試程序,同時將水從0℃加熱至100℃(用標準的溫度計測量),檢查模/數轉換結果。采用斷點方式運行程序,觀察累加器A的內容應隨溫度變化而成正比地在00~FF之間變化,否則表明電路有故障。

圖2 AD轉換模塊電路圖

圖3 ADC模塊功能的檢測
2.2故障的分析與檢測
運行上述測試程序,ADC0809是否正常丁作可以通過測量EOC引腳是否有信號輸出來判斷。如果AD轉換電路模塊不能正常工作,故障分析與檢測的基本方法是依次檢查該AD芯片的基本工作條件是否具備,即它的輸入信號、控制信號是否正常。若某信號不正常.則逆序檢查其上一級元件的輸出信號是否正常,從而分析出故障問題所在。檢查信號是否正常時除了用示波器檢查是否有信號波形外,還要注意檢查該信號與相關信號的時序關系是否正確。
以故障現象-ADC0809輸出無變化為例,其故障分析與檢測流程如圖4所示。

圖4 故障分析與檢測流程
結束語
本文總結了基于ADC0809的模數轉換接口電路設計與調試的方法??偨Y了模數轉換ADC是微機測控系統的重要組成部分,單片機與ADC0809的接口電路連接方式主要有三種,ADC0809輸入的模擬信號和輸出的數字信號之間本質上是一種正比關系,實踐中也是依據這個正比關系來對AD轉換模塊進行調試和故障檢修的。故障分析與檢測的基本方法是通過依次檢查該AD芯片的基本工作條件是否具備來分析故障原因之所在。
電話:18923864027(同微信)
QQ:709211280
〈烜芯微/XXW〉專業制造二極管,三極管,MOS管,橋堆等,20年,工廠直銷省20%,上萬家電路電器生產企業選用,專業的工程師幫您穩定好每一批產品,如果您有遇到什么需要幫助解決的,可以直接聯系下方的聯系號碼或加QQ/微信,由我們的銷售經理給您精準的報價以及產品介紹

