TIA31在開關電源中使用較多。如電腦的ATX電源有使用PIA31的;DVD電源有使用A2431的;很多電源適配器上,都使用了TEA31、TIA31A、TIA31C等。這個外形與9013等塑封三極管一模一樣的集成電路,通常安裝在開關電源光電耦合器的二極管端。
一、如何識別TL431的A、G、K極
TIA3l的符號如下右圖所示。它分別有A、G、K三個極f有些原理圖上標志A、K、R)。A和K分別是穩壓二極管的正端和負端、G極是取樣端?! ?、確定A、K極的方法。根據原理圖,用萬用表測量二極管的方法就能判斷出A和K極。測量時,量程放Rxlk擋,當黑筆接A極,紅筆接K極‘時,著電阻呈導通狀態(普通硅二極管的電阻),互換表筆,若電阻無窮大,即可判導通狀態下,黑筆所接的腳為A極,另一腳為K極。
2、確定G極的方法。將萬用表的量程置RxlOk擋,黑筆接K極,紅筆接A極,此時,電表應無指示。一手觸黑筆,另一手觸G極時,指針應有大幅度的擺動。符合這種狀況時,手觸的腳為G極。
二、正常狀態下TL431各極之間的正反向電阻
1、穩壓二極管正反向電阻的測量。
萬用表量程置Rxlk擋,黑筆接A極,紅筆接K極。此時測量的是穩壓{二極管的正向電阻。測量反向電阻肘,量程應置Rxlk擋。用MF47型表測得的數據為:正向電阻6xlkΩ;反向電阻∞。
2、G極與A、K極正反向電阻的測量。
萬用表量程置Rxlk擋,黑筆接G極,紅筆接A極,電阻應為35xlkΩ,;互換表筆,其電阻應為lOxlkn。黑筆接G極,紅筆接K極,電阻應為11×lkΩ;互換表筆,電阻∞。
3、K極與A、G極正反向電阻的測量。萬用表量程置Rxlk擋,黑筆接K極,紅筆接G極,電阻為∞;互換表筆,電阻應為11×lkΩ。黑筆接K極,紅筆接A極,電阻為∞:互換表筆,電阻為8xlkΩ。
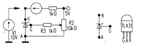
三、加電測試TL431
下左圖是TIA31測試的電路。電源是0~20V維修電源。在K極與電源之間接一·個電流表,是為清楚地觀察隨G極電壓變化引起K極電流變化的情況。在K、A之間接一個電壓表,就能清楚地觀察到TIA31的輸出端隨電源改變的變化情況。試驗前,先將電位器調整到中間值附近。用勝利89B數字表測量K極對地電壓,調整維修電源的電壓輸出,發現K極對地的電壓只有兩個狀態,一是2V左右(為低電平);二是等于電源電壓(為高電平)。
正常與否的判斷。對于在線的TLA31電源誤差比較器,可利用外接維修電源進行檢測。將維修電源接到TLA31的取樣點上,當將電壓調到比標稱電壓高時.TLA31就導通.K極電壓就為低電平。亦即當電源電壓升高時,TLA31導通,讓光電耦合器的二極管導通,使三極管處于飽和狀態,最終控制初級的電源開關管導通的時間減短(降低占空比),使輸出電壓降低。若將維修電壓降低.TIA31就截止.K極電壓就為高電平,光電耦合器的二極管截止,使三極管處于截止狀態,最終控制變壓器初級的電源開關管導通的時間增長(加大占空比).使輸出電壓升高。開關穩壓電源的閉環穩壓電路,就是利用TLA31導通或截止兩個狀態調整開關管的占空比,來控制輸出電壓穩定的。萬用表測量時,若lC各極間的電阻正常,可判TLA31正常:利用維修電源加電測試時.在改變電源電壓的情況下,若TLA31K極對地有高、低兩個電平的變化,可判TLA31正常。

烜芯微專業制造二極管,三極管,MOS管,橋堆等20年,工廠直銷省20%,4000家電路電器生產企業選用,專業的工程師幫您穩定好每一批產品,如果您有遇到什么需要幫助解決的,可以點擊右邊的工程師,或者點擊銷售經理給您精準的報價以及產品介紹

烜芯微專業制造二極管,三極管,MOS管,橋堆等20年,工廠直銷省20%,4000家電路電器生產企業選用,專業的工程師幫您穩定好每一批產品,如果您有遇到什么需要幫助解決的,可以點擊右邊的工程師,或者點擊銷售經理給您精準的報價以及產品介紹

