反激式開關電源是指使用反激高頻變壓器隔離輸入輸出回路的開關電源,與之對應的有正激式開關電源。“反激”(FLY BACK)具體所指當開關管接通時,輸出變壓器充當電感,電能轉化為磁能,此時輸出回路無電流;相反,當開關管關斷時,輸出變壓器釋放能量, 磁能轉化為電能,輸出回路中有電流。
反激式開關電源中,輸出變壓器同時充當儲能電感,整個電源體積小、結構簡單,所以得到廣泛應用。應用最多的是單端反激式開關電源。
優點:元器件少,電路簡單,成本低,體積小,可同時輸出多路互相隔離的電壓
缺點:開關管承受電壓高,輸出變壓器利用率低,不適合作大功率電源 EMI比較大
一般而言,100W以內的開關電源通常采用單端反激式,超過100W-300W的開關電源通常采用正激式或半橋式,300W以上電源通常采用全橋式。
反激電源高壓MOS管尖峰電流解析
做電源的都測試過流過高壓MOS的電流波形,總會發現電流線性上升之前會冒出一個尖峰電流,并且有個時候甚至比正常的峰值電流還要高。看起來很不爽。那這尖峰怎么來的,如何減小它呢?

電流尖峰的來源
1、MOS管開啟時驅動電流由G流到S到地這條路徑是有電流的(驅動電路上有驅動電阻限制驅動電流的這個電流不大);
2、另外一條通路從MOS下來的,從表面上看這條通路連接電感,電感上的這個電流實際上就是主電流是從0緩慢(相對于尖峰電流)上升的,但別忘了還有一個隱藏的通路就是變壓器原邊繞組是有寄生電容的(層間電容和匝間電容),這個寄生電容里面存儲的電量瞬間由MOS到地放出,會產生一個較大尖峰電流。
3、還有一個就是從副邊耦合過來的電流,我們都知道副邊整流二極管從導通(正偏)到反偏的這個過程中二極管有一個反向恢復電流。這個反向恢復電流是通過二極管和變壓器副邊繞組的,它會通過耦合折射到原邊繞組上的(注意:在DCM下沒有反向恢復電流)。

MOS管尖峰電流對電源的害處
1、就是由于這個尖峰的存在,開關電源芯片為了防止誤觸發加入了前沿消隱,如果太高還是有可能誤觸發。
2、這個尖峰(di/dt很大)對開關電源EMI影響不小。
3、這個尖峰電流會增大MOS開關管開通時的交越損耗,降低效率
減小電流尖峰對策
① 變壓器使用三明治繞法使原邊繞組分開
② 減小原邊繞組的匝數(比如可以用Ae值比較大的磁芯(PQ等)可以減少變壓器匝數)
③ 盡量繞成單層繞組
2、減少副邊反向恢復電流
① 如果是功率很小的開關電源把變壓器設計在DCM模式下運行(DCM無反向電流)。
② 使用準諧振芯片(準諧振也是在DCM)
③ 使用反向恢復特性好的二極管,比如肖特基,當然還有碳化硅二極管,注意碳化硅二極管成本非常高。
反激式開關電源的工作原理
反激式:反激式開關電源是指使用反激高頻變壓器隔離輸入輸出回路的開關電源。“反激”指的是在開關管接通的情況下,當輸入為高電平時輸出線路中串聯的電感為放電狀態;相反,在開關管斷開的情況下,當輸入為高電平時輸出線路中的串聯的電感為充電狀態。

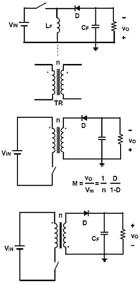
工作原理: 變壓器的一次和二次繞組的極性相反,這大概也是Flyback名字的由來: a.當開關管導通時,變壓器原邊電感電流開始上升,此時由于次級同名端的關系,輸出二極管截止,變壓器儲存能量,負載由輸出電容提供能量。 b.當開關管截止時,變壓器原邊電感感應電壓反向,此時輸出二極管導通,變壓器中的能量經由輸出二極管向負載供電,同時對電容充電,補充剛剛損失的能量。 反激電路的演變: 可以看作是隔離的Buck/Boost電路:

在反激電路中,輸出變壓器T除了實現電隔離和電壓匹配之外,還有儲存能量的作用,前者是變壓器的屬性,后者是電感的屬性,因此有人稱其為電感變壓器,有時我也叫他異步電感。
烜芯微專業制造二極管,三極管,MOS管,20年,工廠直銷省20%,1500家電路電器生產企業選用,專業的工程師幫您穩定好每一批產品,如果您有遇到什么需要幫助解決的,可以點擊右邊的工程師,或者點擊銷售經理給您精準的報價以及產品介紹
烜芯微專業制造二極管,三極管,MOS管,20年,工廠直銷省20%,1500家電路電器生產企業選用,專業的工程師幫您穩定好每一批產品,如果您有遇到什么需要幫助解決的,可以點擊右邊的工程師,或者點擊銷售經理給您精準的報價以及產品介紹

