mos管是金屬(metal)—氧化物(oxide)—半導體(semiconductor)場效應晶體管,或者稱是金屬—絕緣體(insulator)—半導體。MOS管的source和drain是可以對調的,他們都是在P型backgate中形成的N型區。在多數情況下,這個兩個區是一樣的,即使兩端對調也不會影響器件的性能。這樣的器件被認為是對稱的。
插件MOS管
MOSFET芯片在制作完成之后,需要給MOSFET芯片加上一個外殼,即MOS管封裝。MOSFET芯片的外殼具有支撐、保護、冷卻的作用,同時還為芯片提供電氣連接和隔離,以便MOSFET器件與其它元件構成完整的電路。按照安裝在PCB 方式來區分,MOS管封裝主要有兩大類:插入式(Through Hole)和表面貼裝式(Surface Mount)。插入式就是MOSFET的管腳穿過PCB的安裝孔焊接在PCB 上。表面貼裝則是MOSFET的管腳及散熱法蘭焊接在PCB表面的焊盤上。
插件MOS管封裝尺寸圖及選型
(一)插件MOS管封裝
烜芯微科技插件MOS管封裝如下:
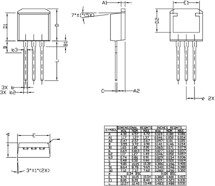
1、TO-262


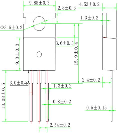
2、TO-220


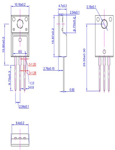
3、TO-247




4、TO-220F


5、TO-3P


(二)插件MOS管型號
注:這里只列出部分型號,需咨詢更多,請聯系我們,將竭誠為您服務!
插件MOS管-TO-262


插件MOS管-TO-220


插件MOS管-TO-247


插件MOS管-TO-220F


插件MOS管-TO-3P

烜芯微專業制造二三極管,MOS管,20年,工廠直銷省20%,1500家電路電器生產企業選用,專業的工程師幫您穩定好每一批產品,如果您有遇到什么需要幫助解決的,可以點擊右邊的工程師,或者點擊銷售經理給您精準的報價以及產品介紹

烜芯微專業制造二三極管,MOS管,20年,工廠直銷省20%,1500家電路電器生產企業選用,專業的工程師幫您穩定好每一批產品,如果您有遇到什么需要幫助解決的,可以點擊右邊的工程師,或者點擊銷售經理給您精準的報價以及產品介紹

